15 Products
Provide campaign content here
Provide campaign content here
HONDA
NISSAN
KAWASAKI
MITSUBISHI
Provide campaign content here
Provide campaign content here
HONDA
NISSAN
KAWASAKI
MITSUBISHI
Provide campaign content here
Provide campaign content here
HONDA
NISSAN
KAWASAKI
MITSUBISHI
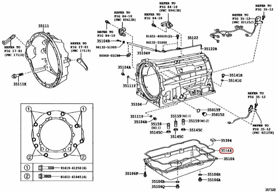
Oil filter
